(c) 2013 Pavel Pindora

Hyperbolic

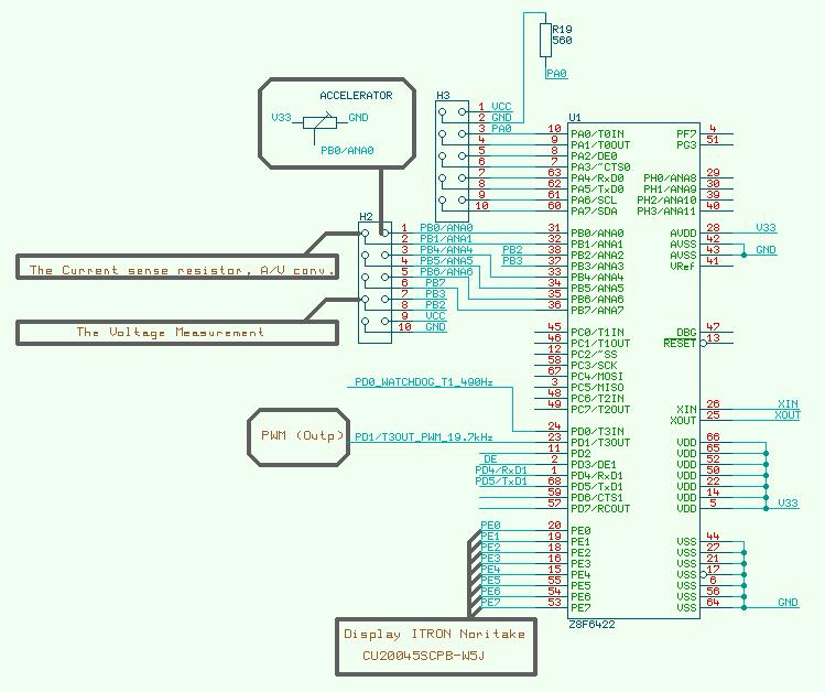
Zilog Encore Z8F6422 - The Hyperbolic PWM Controller



http://youtu.be/JyrStz-4Apc

Z8F6422gif




PWM - Linear process

Linear




PWM - Hyperbolic process

Hyperbolic

Parameter hyperbolic process

Hyperbolic
Hyperbolic
Hyperbolic